ONE-TOUCH FITTINGS

METRIC SYSTEM

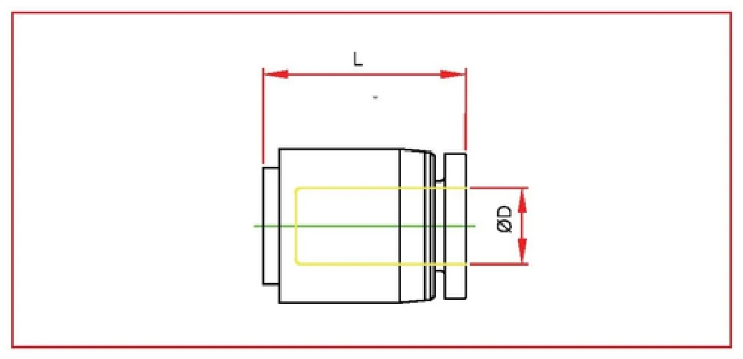
PC male straight
PC male straight Diagram PC male straight
MODEL ØD T (Thread) L A H1 (HEX) H2 (HEX) Q'ty per bag Q'ty per box
PC 04-M54M5xP0.8202.510210100
PC 04-M64M6xP1.0203.510210100
PC 04-014PT 1/820.5810310100
PC 04-024PT 1/4231114310100
PC 04-034PT 3/8201117310100
PC 06-M56M5xP0.8213.512210100
PC 06-M66M6xP1.021412210100
PC 06-016PT 1/821.3812410100
PC 06-026PT 1/4231014410100
PC 06-036PT 3/8241117410100
PC 06-046PT 1/225142141050
PC 08-018PT 1/825814510100
PC 08-028PT 1/4251014510100
PC 08-038PT 3/8261117510100
PC 08-048PT 1/228142151050
PC 10-0110PT 1/830817510100
PC 10-0210PT 1/431.5101761050
PC 10-0310PT 3/829111781050
PC 10-0410PT 1/227142181050
PC 12-0112PT 1/831.582151050
PC 12-0212PT 1/432.8102161050
PC 12-0312PT 3/830.6112181050
PC 12-0412PT 1/231.6142181050
PC 14-0114PT 1/833.582251050
PC 14-0214PT 1/433.5102261050
PC 14-0314PT 3/834112281050
PC 14-0414PT 1/232.51422101050
PC 16-0216PT 1/435.5102461050
PC 16-0316PT 3/836.5112461050
PC 16-0416PT 1/236.5142410525
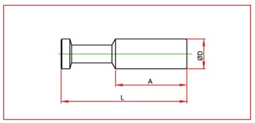
POC Round male straight
POC Round male straight Diagram POC Round male straight
MODEL ØD T (Thread) L A H (HEX) Q'ty per bag Q'ty per box
POC 04-014PT 1/820.58310100
POC 04-024PT 1/42310310100
POC 04-034PT 3/819.511410100
POC 04-M54M5xP0.820.53.5210100
POC 04-M64M6xP1.020.94210100
POC 06-016PT 1/8228410100
POC 06-026PT 1/42310410100
POC 06-036PT 3/820.711410100
POC 06-046PT 1/224.71441050
POC 06-M56M5xP0.8213.5210100
POC 06-M66M6xP1.0214210100
POC 08-018PT 1/825.78510100
POC 08-028PT 1/42510510100
POC 08-038PT 3/82211510100
POC 08-048PT 1/2281451050
POC 10-0110PT 1/8308610100
POC 10-0210PT 1/431.510610100
POC 10-0310PT 3/8291181050
POC 10-0410PT 1/228.71481050
POC 12-0112PT 1/830.6861050
POC 12-0212PT 1/4331061050
POC 12-0312PT 3/830.61181050
POC 12-0412PT 1/232.81481050
POC 16-0316PT 3/836.7115525
POC 16-0416PT 1/236.71410525
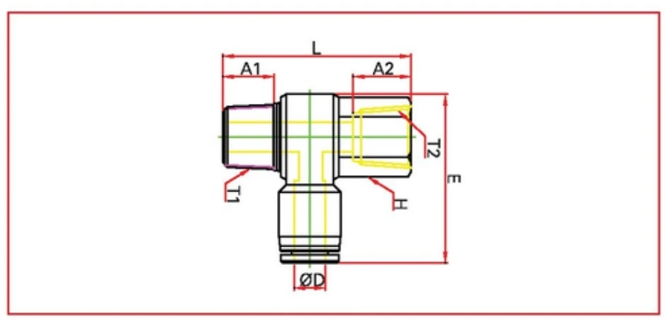
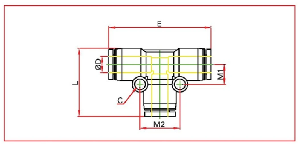
PZA union cross
PZA union cross Diagram PZA union cross
MODEL ØD M1 M2 E C Q'ty per bag Q'ty per box
PZA 0447.414.836.53.21050
PZA 0667.918.8383.21050
PZA 08891844.83.2525
PZA 101011.823.556.84.2520
PZA 121213.326.658.64.2515
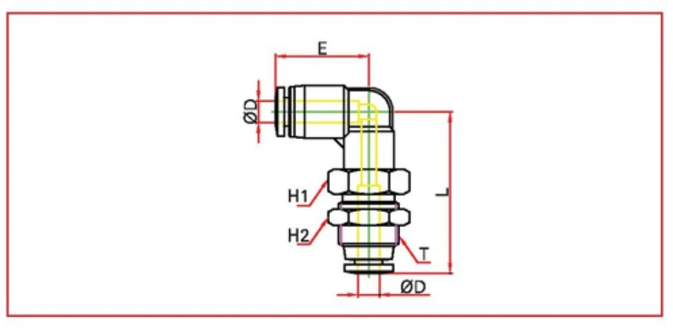
PL male elbow
PL male elbow Diagram PL male elbow
MODEL ØD T (Thread) E L A H (HEX) Q'ty per bag Q'ty per box
PL 04-014PT 1/823.530.381010100
PL 04-024PT 1/423.532.7101410100
PL 04-034PT 3/823.534111710100
PL 04-M54M5xP0.823.527.541010100
PL 04-M64M6xP1.023.52741010100
PL 06-016PT 1/82431.581210100
PL 06-026PT 1/424.533.910141050
PL 06-036PT 3/82435.211171050
PL 06-046PT 1/224.538.714211050
PL 06-M56M5xP0.82428.241210100
PL 06-M66M6xP1.02428.741210100
PL 08-018PT 1/829358141050
PL 08-028PT 1/4293710141050
PL 08-038PT 3/82938.311171050
PL 08-048PT 1/229.541.814211050
PL 10-0110PT 1/836.541.88171050
PL 10-0210PT 1/436.543.810171050
PL 10-0310PT 3/836.544.811171050
PL 10-0410PT 1/236.548.31421525
PL 12-0112PT 1/83944.3819525
PL 12-0212PT 1/43946.31019525
PL 12-0312PT 3/83948.31117520
PL 12-0412PT 1/23950.81421525
PL 14-0214PT 1/439471019525
PL 14-0314PT 3/839491119520
PL 14-0414PT 1/23951.51421525
PL 16-0316PT 3/84151.71119525
PL 16-0416PT 1/24154.21421525
PT male branch tee
PT male branch tee Diagram PT male branch tee
MODEL ØD T (Thread) E L A H (HEX) Q'ty per bag Q'ty per box
PT 04-014PT 1/83729.58101050
PT 04-024PT 1/4373210141050
PT 04-034PT 3/83733.811171050
PT 04-M54M5xP0.83728.341010100
PT 04-M64M6xP1.03728.841010100
PT 06-016PT 1/83831.58121050
PT 06-026PT 1/4383410141050
PT 06-036PT 3/83835.611171050
PT 06-046PT 1/23839.21421525
PT 06-M56M5xP0.83828.44121050
PT 06-M66M6xP1.03828.64121050
PT 08-018PT 1/844.5358141050
PT 08-028PT 1/444.53710141050
PT 08-038PT 3/844.538.611171050
PT 08-048PT 1/244.542.21421525
PT 10-0110PT 1/856.542.2817525
PT 10-0210PT 1/456.544.51017525
PT 10-0310PT 3/856.545.51117525
PT 10-0410PT 1/256.548.91421520
PT 12-0112PT 1/85845.2819525
PT 12-0212PT 1/45848.31019525
PT 12-0312PT 3/85848.31119525
PT 12-0412PT 1/25850.51421520
PT 14-0214PT 1/460.547.51019520
PT 14-0314PT 3/860.549.51119520
PT 14-0414PT 1/260.5521421520
PT 16-0316PT 3/861.555.71119312
PT 16-0416PT 1/261.558.51421312
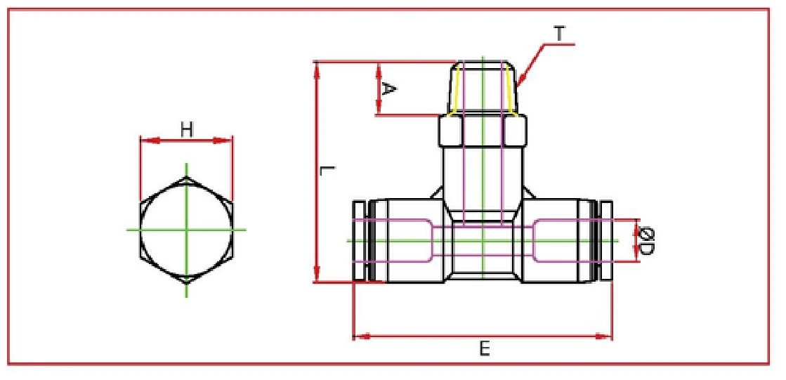
PST male run tee
PST male run tee Diagram PST male run tee
MODEL ØD T (Thread) L E A H (HEX) Q'ty per bag Q'ty per box
PST 04-014PT 1/843248101050
PST 04-024PT 1/4432410141050
PST 04-034PT 3/8462411171050
PST 04-M54M5xP0.8392441010100
PST 04-M64M6xP1.0392441010100
PST 06-016PT 1/84425.58121050
PST 06-026PT 1/446.525.510141050
PST 06-036PT 3/847.525.511171050
PST 06-046PT 1/250.525.51421525
PST 06-M56M5xP0.84125.541210100
PST 06-M66M6xP1.04125.541210100
PST 08-018PT 1/852.529.58141050
PST 08-028PT 1/453.529.510141050
PST 08-038PT 3/854.529.511171050
PST 08-048PT 1/257.529.51421525
PST 10-0110PT 1/86238817525
PST 10-0210PT 1/464381017525
PST 10-0310PT 3/865381117525
PST 10-0410PT 1/268381421520
PST 12-0112PT 1/863.540817525
PST 12-0212PT 1/469.5401017525
PST 12-0312PT 3/868.5401119525
PST 12-0412PT 1/269.5401421525
PST 14-0214PT 1/466421019520
PST 14-0314PT 3/867421119520
PST 14-0414PT 1/271.5421421520
PWJ plug-in Y
PWJ plug-in Y Diagram PWJ plug-in Y
MODEL ØD1 ØD2 L A E Q'ty per bag Q'ty per box
PWJ 06046452.521221050
PWJ 0806865623.5261050
PWJ 100810863.526.529.5525
PWJ 12101210722837525
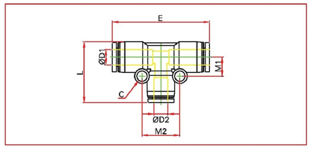
PWT male Y
PWT male Y Diagram PWT male Y
MODEL ØD T (Thread) L E A H (HEX) Q'ty per bag Q'ty per box
PWT 04-014PT 1/842228101050
PWT 04-024PT 1/4452210141050
PWT 04-034PT 3/8462211171050
PWT 04-M54M5xP0.8392241010100
PWT 04-M64M6xP1.0392241010100
PWT 06-016PT 1/845258121050
PWT 06-026PT 1/4472510141050
PWT 06-036PT 3/8482511171050
PWT 06-046PT 1/251251421525
PWT 06-M56M5xP0.842254121050
PWT 06-M66M6xP1.041254121050
PWT 08-018PT 1/847308141050
PWT 08-028PT 1/4493010141050
PWT 08-038PT 3/8503011171050
PWT 08-048PT 1/254301421525
PWT 10-0110PT 1/85737817525
PWT 10-0210PT 1/459371017525
PWT 10-0310PT 3/860371117525
PWT 10-0410PT 1/263371421525
PWT 12-0112PT 1/86042.5819520
PWT 12-0212PT 1/46242.51019520
PWT 12-0312PT 3/86342.51119520
PWT 12-0412PT 1/26642.51421520
PWT 16-0316PT 3/865.551.51119315
PWT 16-0416PT 1/26951.51421315
PPF cap
PPF cap Diagram PPF cap
MODEL ØD L Q'ty per bag Q'ty per box
PPF 0441810100
PPF 0661810100
PPF 08821.510100
PPF 1010241050
PPF 1212251050
PPF 161627.5525
PLL extended male elbow
PLL extended male elbow Diagram PLL extended male elbow
MODEL ØD T (Thread) E L A H (HEX) Q'ty per bag Q'ty per box
PLL 04-014PT 1/823.540.38101050
PLL 04-024PT 1/423.542.710141050
PLL 04-034PT 3/823.54411171050
PLL 04-M54M5xP0.823.537.541010100
PLL 04-M64M6xP1.023.53741010100
PLL 06-016PT 1/82543.581210100
PLL 06-026PT 1/42545.910141050
PLL 06-036PT 3/82547.211171050
PLL 06-046PT 1/22550.714211050
PLL 06-M56M5xP0.82541.241210100
PLL 06-M66M6xP1.02541.741210100
PLL 08-028PT 1/4304910141050
PLL 08-038PT 3/8305110141050
PLL 08-048PT 1/23055.81421525
PLL 10-0110PT 1/83658.5817525
PLL 10-0210PT 1/43660.81017525
PLL 10-0310PT 3/83661.81117525
PLL 10-0410PT 1/23665.31421525
PLL 12-0312PT 3/838.568.31119525
PLL 12-0412PT 1/238.5681421525
PIG
PIG Diagram PIG
MODEL ØD1 ØD2 L Q'ty per bag Q'ty per box
PIG 06-04643610100
PIG 08-048437.510100
PIG 08-06863910100
PIG 10-0610641.510100
PIG 10-081084310100
PIG 12-0812844.510100
PIG 12-1012104710100
PIG 16-1216125410100
PLF extended female elbow
PLF extended female elbow Diagram PLF extended female elbow
MODEL ØD T (Thread) L E A H (Hex) Q'ty per bag Q'ty per box
PLF 04-014PT 1/828.523.58141050
PLF 04-024PT 1/43123.511171050
PLF 04-M54M5xP0.824.523.571010100
PLF 04-M64M6xP1.024.523.571010100
PLF 06-016PT 1/829.5258141050
PLF 06-026PT 1/4322510171050
PLF 06-036PT 3/833.52511211050
PLF 06-046PT 1/236251424525
PLF 06-M56M5xP0.825.5257121050
PLF 06-M66M6xP1.025.5257141050
PLF 08-018PT 1/83329.58141050
PLF 08-028PT 1/43529.510171050
PLF 08-038PT 3/83729.511211050
PLF 08-048PT 1/24029.51424525
PLF 10-0110PT 1/84136817525
PLF 10-0210PT 1/438.5361017525
PLF 10-0310PT 3/843361121525
PLF 10-0410PT 1/246361424520
PLF 12-0112PT 1/844.538.51119520
PLF 12-0212PT 1/444.538.51019520
PLF 12-0312PT 3/84538.51221520
PLF 12-0412PT 1/24937.51424520
PUC union straight
PUC union straight Diagram PUC union straight
MODEL ØD E Q'ty per bag Q'ty per box
PUC 0443310100
PUC 06634.510100
PUC 08838.51050
PUC 101045.51050
PUC 121249525
PUC 141451.5525
PUC 161663.5525
PUT union tee
PUT union tee Diagram PUT union tee
MODEL ØD E L M1 M2 C Q'ty per bag Q'ty per box
PUT 04436.5247143.210100
PUT 06637.525.58163.21050
PUT 08844.529.59183.21050
PUT 1010563712244.2525
PUT 1212593913.5274.2525
PUT 141460.742.513.5274.2520
PUT 1616644514284.2315
PGT reducer tee
PGT reducer tee Diagram PGT reducer tee
MODEL ØD1 ØD2 L E C M1 M2 Q'ty per bag Q'ty per box
PGT 04064624.537.53.26.913.81050
PGT 04084828413.28.316.61050
PGT 06046425.5383.2813.81050
PGT 06086828413.28.316.61050
PGT 08108103444.54.28.4221050
PGT 08048429.543.53.2916.61050
PGT 08068629.543.53.2916.61050
PGT 081081034.5484.29.222525
PGT 081281235.248.54.29.224.6525
PGT 100610637534.21116.6525
PGT 100810832554.21116.6525
PGT 1012101238.2584.21124.6525
PGT 120812835564.212.318.4525
PGT 1210121038.557.54.212.318.4525
PGT 141214124160.54.214.526.5520
PGT 1612161244.5654.214.624.6315
PGT 1614161446654.21428315
PG reducer
PG reducer Diagram PG reducer
MODEL ØD1 ØD2 E Q'ty per bag Q'ty per box
PG 0604643410100
PG 0804843610100
PG 08068636.510100
PG 1006106381050
PG 1008108431050
PG 1208128471050
PG 1210121049525
PG 1412141251525
PG 1612161264525
PG 1614161465525
PKG reducer triple branch union
PKG reducer triple branch union Diagram PKG reducer triple branch union
MODEL ØD1 ØD2 M1 M2 L E C Q'ty per bag Q'ty per box
PKG 040444941.559273.2525
PKG 060666941.559.5273.2525
PKG 0808881247.879.5334.2520
PKG 101010101256.590.937.53.5515
PKG 1212121215.567.599.439.54.5515
PKG 060464941.559.5273.2525
PKG 080484941.561273.2525
PKG 080686941.561273.2525
PKG 1006106941.561273.2525
PKG 10081081247.88132.54.2525
PKG 12081281247.882.532.54.2520
PKG 120812815.559.591.8374.5520
PKG 1210121015.559.591.8384.5515
PCF female straight
PCF female straight Diagram PCF female straight
MODEL ØD T L A H (Hex) Q'ty per bag Q'ty per box
PCF 04-M54M5x P0.8215810100
PCF 04-014PT 1/823.58.51410100
PCF 04-024PT 1/426.5101710100
PCF 06-M56M5x P0.823.551210100
PCF 06-016PT 1/8258.51410100
PCF 06-026PT 1/427101710100
PCF 06-036PT 3/82812201050
PCF 06-046PT 1/23013241050
PCF 08-018PT 1/8268.51410100
PCF 08-028PT 1/428.5101710100
PCF 08-038PT 3/83012201050
PCF 08-048PT 1/23213241050
PCF 10-0110PT 1/8308.5171050
PCF 10-0210PT 1/43211171050
PCF 10-0310PT 3/83311201050
PCF 10-0410PT 1/23513241050
PCF 12-0212PT 1/43511211050
PCF 12-0312PT 3/83512211050
PCF 12-0412PT 1/237.51424525
PCF 16-0316PT 3/836.51124525
PCF 16-0416PT 1/238.51324525
PY union y
PY union y Diagram PY union y
MODEL ØD L E C Q'ty per bag Q'ty per box
PY 04435.5223.210100
PY 06637263.21050
PY 08839.5303.21050
PY 101050.5374.2525
PY 121252.5424.2525
PY 161655.551.54.2315
PMF bulkhead female straight
PMF bulkhead female straight Diagram PMF bulkhead female straight
MODEL ØD T1 (Thread) T2 L H1 (HEX) H2 (HEX) Q'ty per bag Q'ty per box
PMF 04-014PT 1/8M12xP1.024141410100
PMF 04-024PT 1/4M12xP1.026.5171410100
PMF 06-016PT 1/8M14xP1.025171710100
PMF 06-026PT 1/4M14xP1.027171710100
PMF 06-036PT 3/8M14xP1.02819171050
PMF 08-018PT 1/8M16xP1.02619191050
PMF 08-028PT 1/4M16xP1.02919191050
PMF 08-038PT 3/8M16xP1.029.519191050
PMF 08-048PT 1/2M16xP1.031.52419525
PMF 10-0110PT 1/8M20xP1.030.524241050
PMF 10-0210PT 1/4M20xP1.03224241050
PMF 10-0310PT 3/8M20xP1.03424241050
PMF 10-0410PT 1/2M20xP1.0372424525
PMF 12-0212PT 1/4M22xP1.0342727525
PMF 12-0312PT 3/8M22xP1.0342727525
PMF 12-0412PT 1/2M22xP1.0362727525
PW reducer y
PW reducer y Diagram PW reducer y
MODEL ØD1 ØD2 L E C Q'ty per bag Q'ty per box
PW 06046436223.210100
PW 08048437263.21050
PW 08068637263.21050
PW 100610643.5293.21050
PW 100810843293.21050
PW 12081285036.54.2525
PW 121012105136.54.2525
PW 1612161254.551.54.2515
PW 161416145551.54.2515
PMM bulkhead union
PMM bulkhead union Diagram PMM bulkhead union
MODEL ØD T L H (Hex) Q'ty per bag Q'ty per box
PMM 044M12xP1.030.51410100
PMM 066M14xP1.0321710100
PMM 088M16xP1.035191050
PMM 1010M20xP1.04124525
PMM 1212M22xP1.04427525
PP plug
PP plug Diagram PP plug
MODEL ØD L A Q'ty per bag Q'ty per box
PP 044281510100
PP 066301710100
PP 088361810100
PP 101042.52210100
PP 1212432210100
PP 16164924.51050
PLM bulkhead union elbow
PLM bulkhead union elbow Diagram PLM bulkhead union elbow
MODEL ØD T L E H1 (Hex) H2 (Hex) Q'ty per bag Q'ty per box
PLM 044M12xP1.033.52314141050
PLM 066M14xP1.0372417171050
PLM 088M16xP1.0432919191050
PLM 1010M20xP1.050362424525
PLM 1212M22xP1.057382727525
PLJ plug-in elbow
PLJ plug-in elbow Diagram PLJ plug-in elbow
MODEL ØD1 ØD2 L E A Q'ty per bag Q'ty per box
PLJ 04443823.520.510100
PLJ 066641242210100
PLJ 088846.529.5241050
PLJ 101010533626.51050
PLJ 121212594727525
PLJ 161616724532.5525
PLJ 06046438.523.52210100
PLJ 08068644.5272410100
PLJ 10081084929.526.51050
PLJ 1210121059.53627525
PH male banjo
PH male banjo Diagram PH male banjo
MODEL ØD T (Thread) E L A H (HEX) Q'ty per bag Q'ty per box
PH 04-014PT 1/82923.67121050
PH 04-024PT 1/43426.58.5141050
PH 04-M54M5xP0.82517.54810100
PH 04-M64M6xP1.02517.54810100
PH 06-016PT 1/830237121050
PH 06-026PT 1/43426.59.5141050
PH 06-036PT 3/8363210.519525
PH 06-046PT 1/24639.11424525
PH 06-M56M5xP0.826.517.54810100
PH 06-M66M6xP1.026.517.541010100
PH 08-018PT 1/832247121050
PH 08-028PT 1/43726.59.5141050
PH 08-038PT 3/8403210.519525
PH 08-048PT 1/24639.11424525
PH 10-0110PT 1/857.52471210100
PH 10-0210PT 1/44126.59.5141050
PH 10-0310PT 3/843.53210.519525
PH 10-0410PT 1/25039.11424520
PH 12-0212PT 1/442.526.59.514525
PH 12-0312PT 3/8463210.519525
PH 12-0412PT 1/25039.11424520
PHF female banjo
PHF female banjo Diagram PHF female banjo
MODEL ØD T1 T2 L E A1 A2 H (Hex) Q'ty per bag Q'ty per box
PHF 04-M54M5x P0.8M5x P0.8202545810100
PHF 04-M64M6x P1.0M6x P1.020.82545810100
PHF 04-014PT 1/8PT 1/82829.57.56.5141050
PHF 04-024PT 1/4PT 1/432329.58.5171050
PHF 06-M56M5x P0.8M5x P0.82026.545810100
PHF 06-M66M6x P1.0M6x P1.020.826.545810100
PHF 06-016PT 1/8PT 1/828317.56.5141050
PHF 06-026PT 1/4PT 1/433349.58.5171050
PHF 06-036PT 3/8PT 3/8403810.59.521525
PHF 06-046PT 1/2PT 1/246.6461411.524525
PHF 08-018PT 1/8PT 1/82832.57.56.5141050
PHF 08-028PT 1/4PT 1/43337.59.58.5171050
PHF 08-038PT 3/8PT 3/838.94210.59.521525
PHF 08-048PT 1/2PT 1/246.6461411.524525
PHF 10-0110PT 1/8PT 1/828377.56.517525
PHF 10-0210PT 1/4PT 1/433419.58.517525
PHF 10-0310PT 3/8PT 3/838.943.510.59.521525
PHF 10-0410PT 1/2PT 1/246.649.51411.524515
PHF 12-0212PT 1/4PT 1/43342.59.58.517525
PHF 12-0312PT 3/8PT 3/838.94610.59.521520
PHF 12-0412PT 1/2PT 1/246.6501411.524515
PGJ plug-in reducer
PGJ plug-in reducer Diagram PGJ plug-in reducer
MODEL ØD1 ØD2 L A Q'ty per bag Q'ty per box
PGJ 06-046438.52210100
PGJ 08-0484392510100
PGJ 08-0686422510100
PGJ 10-0610641.526.510100
PGJ 10-0810845.526.510100
PGJ 12-081284026.510100
PGJ 12-081284926.51050
PGJ 12-1012105126.51050
PKD male reducer triple branch
PKD male reducer triple branch Diagram PKD male reducer triple branch
MODEL ØD1 ØD2 L E M1 M2 C A H (Hex) T Q'ty per bag Q'ty per box
PKD 04-01446827941.53.2810PT 1/8525
PKD 04-024470.427941.53.2810PT 1/4525
PKD 0604-01646827941.53.2812PT 1/8525
PKD 0604-026470.527941.53.2814PT 1/4525
PKD 0804-018468.527941.53.2814PT 1/8525
PKD 0804-028470.527941.53.2814PT 1/4525
PKD 06-01666827941.53.2812PT 1/8525
PKD 06-026670.527941.53.21014PT 1/4525
PKD 0806-01866827941.53.2814PT 1/8525
PKD 0806-028670.527941.53.21014PT 1/4525
PKD 08-028888.5331247.84.21014PT 1/4525
PKD 08-038889.3331247.84.21117PT 3/8525
PKD 1006-0210689.3331247.84.21017PT 1/4520
PKD 1006-0310690.3331247.84.21117PT 3/8520
PKD 1008-0210889.5331247.84.21017PT 1/4515
PKD 1008-0310890.3331247.84.21117PT 3/8515
PKD 10-02101098.737.51256.54.51017PT 1/4515
PKD 10-01101010037.51256.54.5817PT 1/8515
PKD 10-041010103.537.51256.54.51421PT 1/2515
PKD 1208-031281003715.559.54.51119PT 3/8515
PKD 1208-04128103.53715.559.54.51421PT 1/2515
PKD 1210-0312101003815.559.54.51119PT 3/8515
PKD 1210-041210103.53815.559.54.51421PT 1/2515
PKD 12-031212104.539.715.567.54.51119PT 3/8515
PKD 12-041212107.539.715.567.54.51421PT 1/2515
PUL union elbow
PUL union elbow Diagram PUL union elbow
MODEL ØD L M C Q'ty per bag Q'ty per box
PUL 0442473.210100
PUL 0662583.210100
PUL 0882793.21050
PUL 101037124.21050
PUL 12124013.54.2525
PUL 141441.513.54.2525
PUL 161645.5145.2525
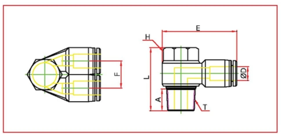
PA dual male banjo
PA dual male banjo Diagram PA dual male banjo
MODEL ØD T E L F A H (Hex) Q'ty per bag Q'ty per box
PA 04-M54M5*P0.827.317.5113.5810100
PA 06-016PT 1/831.223137.5121050
PA 08-018PT 1/83326.714.47.5121050
PA 08-028PT 1/437.226.214.49.514525
PA 10-0210PT 1/440.326.218.49.514525
PA 10-0310PT 3/844.23218.410.519525
PA 12-0312PT 3/845322110.519520
PA 12-0412PT 1/250.839211424520
PAF dual female banjo
PAF dual female banjo Diagram PAF dual female banjo
MODEL ØD T1 / T2 E L F A1 H (Hex) Q'ty per bag Q'ty per box
PAF 04-M54M5*P0.827.320113.5810100
PAF 06-016PT 1/831.228137.5141050
PAF 08-018PT 1/8332814.47.5141050
PAF 08-028PT 1/437.23314.49.517525
PAF 10-0210PT 1/440.33318.49.517525
PAF 10-0310PT 3/844.238.918.410.521520
PAF 12-0312PT 3/84538.92110.521515
PAF 12-0412PT 1/250.846.6211424510
PKJ reducer triple branch union
PKJ reducer triple branch union Diagram PKJ reducer triple branch union
MODEL ØD1 ØD2 ØD3 L A E C M1 M2 Q'ty per bag Q'ty per box
PKJ 044447620.5273.2941.5525
PKJ 060464677.522273.2941.5525
PKJ 0666677.522273.2941.5525
PKJ 08048488024273.2941.5525
PKJ 08068688024273.2941.5525
PKJ 0888896.524334.21247.8520
PKJ 10061061010125.532.54.21247.8515
PKJ 10081081010125.532.54.21247.8515
PKJ 10101010110.525.537.54.51256.5515
PKJ 120812812113.527374.515.559.5312
PKJ 1210121012113.527384.515.559.5312
PKJ 121212121212739.54.515.567.5312
PYJ plug-in J
PYJ plug-in J Diagram PYJ plug-in J
MODEL ØD1 ØD2 L A E Q'ty per bag Q'ty per box
PYJ 04445220.5221050
PYJ 0604645422221050
PYJ 066654.522261050
PYJ 08068656.524261050
PYJ 0888592429.51050
PYJ 10081086425.529.5525
PYJ 10101069.525.537525
PYJ 1210121073.52737525
PYJ 121212742742520
PRODUCT DESCRIPTION

FEATURES/BENEFITS

  • One-Touch push-to-connect configuration allows for an instant tubing connection.
  • All PC models are useful for piping in confined space, due to its six-angle wrench processing inside.
  • Immediate strong engineering plastic(POM) sleeve disconnection by pressing the sleeve and then simply removing tube from fitting.
  • Fittings are already equipped with Teflon-treatment or o-ring on the thread.
  • Nickel-plated brass body ensures anti-contamination properties for an extended product life.

SPECIFICATION

  • Applicable Fluid Type: AIR (No other type of gas or liquid)
  • Working Pressure Range: 0~150PSI / 0~9.9Kgf/cm²(0~990KPa)
  • Negative Pressure: -29.5in Hg / -750mmHg(-750Torr)
  • Working Temperature Range: 32~140°F / 0~60°C
ORDER

PLACING AN ORDER OR REQUEST

Specifying Standard Items: Please specify the following:

  • 1. Series(Item)Number
  • 2. Tube Outside Dia.
  • 3. Thread Size

THREAD SIZE

  • 01: 1/8" / N01:1/8"NPT / G01:1/8"BSPP
  • 02: 1/4" / N02:1/4"NPT / G02:1/4"BSPP
  • 03: 3/8" / N03:3/8"NPT / G03:3/8"BSPP
  • 04: 1/2" / N04:1/2"NPT / G04:1/2"BSPP
Fitting Diagram

Example of a request

PL series one touch fitting, 8mm tube with 1/4" BSPT thread

PL 08 02 Example

PC series one touch fitting, 1/4" tube with 1/4" NPT thread

PC 1/4 N02 Example

SC series G type one touch fitting, 8mm tube with 1/4" BSPP thread

SC 08 G02 Example