SPEED CONTROLLERS

G-TYPE METRIC SYSTEM

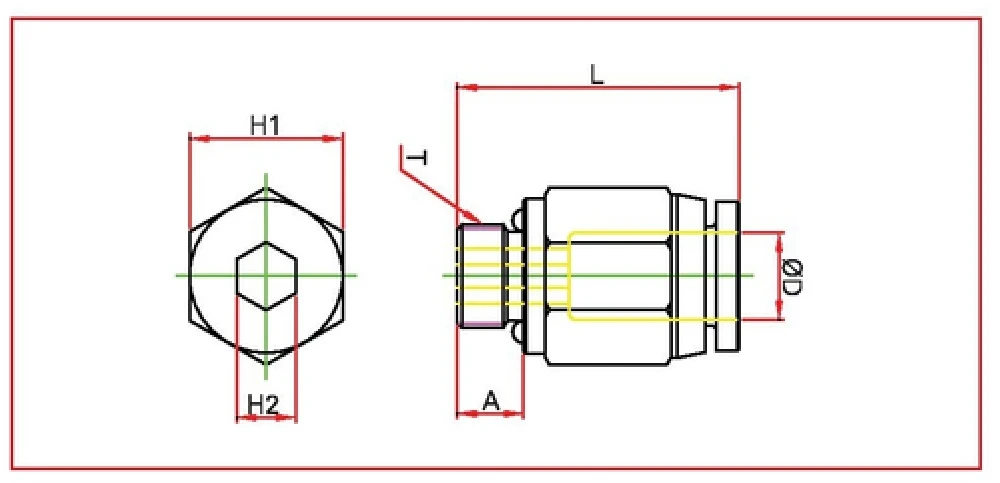
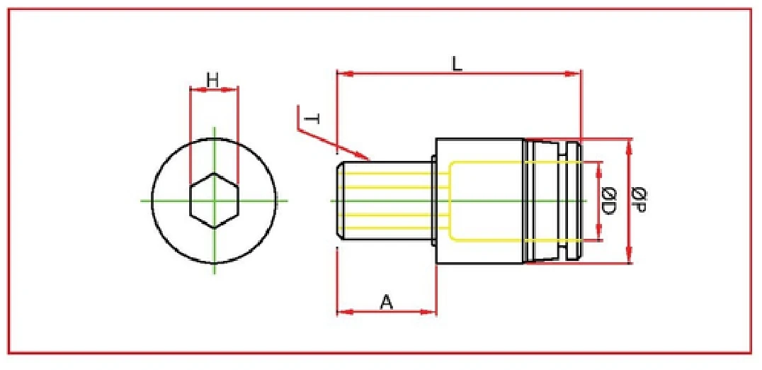
PC male straight
PC male straight Diagram PC male straight
MODEL ØD T L A H1 (BSW) H2 (BSW) Q'ty per bag Q'ty per box
PC 04-G014G 1/820.55.512310100
PC 04-G024G 1/4206.517310100
PC 06-G016G 1/8225.514410100
PC 06-G026G 1/4226.514410100
PC 06-G036G 3/819.56.519410100
PC 06-G046G 1/221.51017410100
PC 08-G018G 1/8255.514610100
PC 08-G028G 1/4256.514610100
PC 08-G038G 3/8236.517610100
PC 08-G048G 1/225101761050
PC 10-G0110G 1/828.55.517810100
PC 10-G0210G 1/428.56.517810100
PC 10-G0310G 3/825.56.52081050
PC 10-G0410G 1/229.5102081050
PC 12-G0112G 1/830.15.52181050
PC 12-G0212G 1/4316.52181050
PC 12-G0312G 3/8286.52181050
PC 12-G0412G 1/231102181050
PC 14-G0214G 1/431.56.52281050
PC 14-G0314G 3/831.66.52281050
PC 14-G0414G 1/230.81024101050
PC 16-G0316G 3/834.57.5248525
PC 16-G0416G 1/237102410525
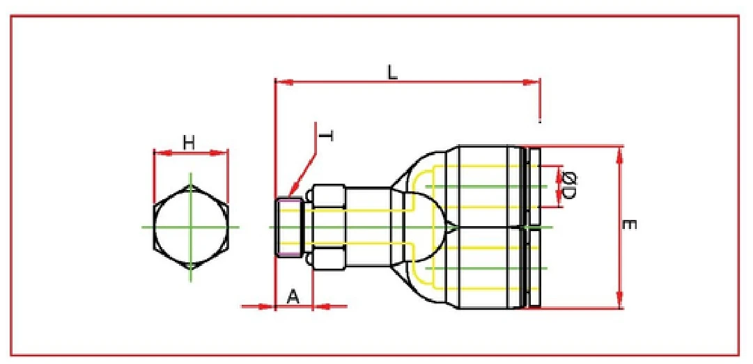
PL male elbow
PL male elbow Diagram PL male elbow
MODEL ØD T (Thread) L E A H (HEX) Q'ty per bag Q'ty per box
PL 04-G014G 1/829.5235.51410100
PL 04-G024G 1/430.5236.51710100
PL 04-G034G 3/831236.52010100
PL 06-G016G 1/830.524.55.51410100
PL 06-G026G 1/432.524.56.5171050
PL 06-G036G 3/832.524.56.5201050
PL 06-G046G 1/233.524.510241050
PL 08-G018G 1/83229.55.5141050
PL 08-G028G 1/435.529.56.5171050
PL 08-G038G 3/835.529.56.5201050
PL 08-G048G 1/239.529.510241050
PL 10-G0110G 1/835375.5171050
PL 10-G0210G 1/442.5376.5171050
PL 10-G0310G 3/842.5376.5201050
PL 10-G0410G 1/246371024525
PL 12-G0212G 1/445396.519525
PL 12-G0312G 3/845396.520525
PL 12-G0412G 1/248.5391024525
PL 14-G0214G 1/444.539.51019525
PL 14-G0314G 3/845.539.56.520525
PL 14-G0414G 1/24939.51024525
PL 16-G0316G 3/848.5416.520525
PL 16-G0416G 1/253411024525
POC
POC Diagram POC
MODEL ØD T L A H (HEX) ØP Q'ty per bag Q'ty per box
POC 04-G014G 1/820.55.5310.510100
POC 04-G024G 1/4206.5310.510100
POC 06-G016G 1/8225.5412.510100
POC 06-G026G 1/4226.5412.510100
POC 06-G036G 3/819.56.5412.510100
POC 08-G018G 1/8255.5614.510100
POC 08-G028G 1/4256.5614.510100
POC 08-G038G 3/8236.5614.510100
POC 10-G0110G 1/8295.5817.510100
POC 10-G0210G 1/4296.5817.510100
POC 10-G0310G 3/825.56.5817.51050
POC 10-G0410G 1/229.510817.51050
POC 12-G0212G 1/4326.5820.51050
POC 12-G0312G 3/8286.5820.51050
POC 12-G0412G 1/23110820.51050
POC 16-G0316G 3/834.58824525
POC 16-G0416G 1/234.5101024525
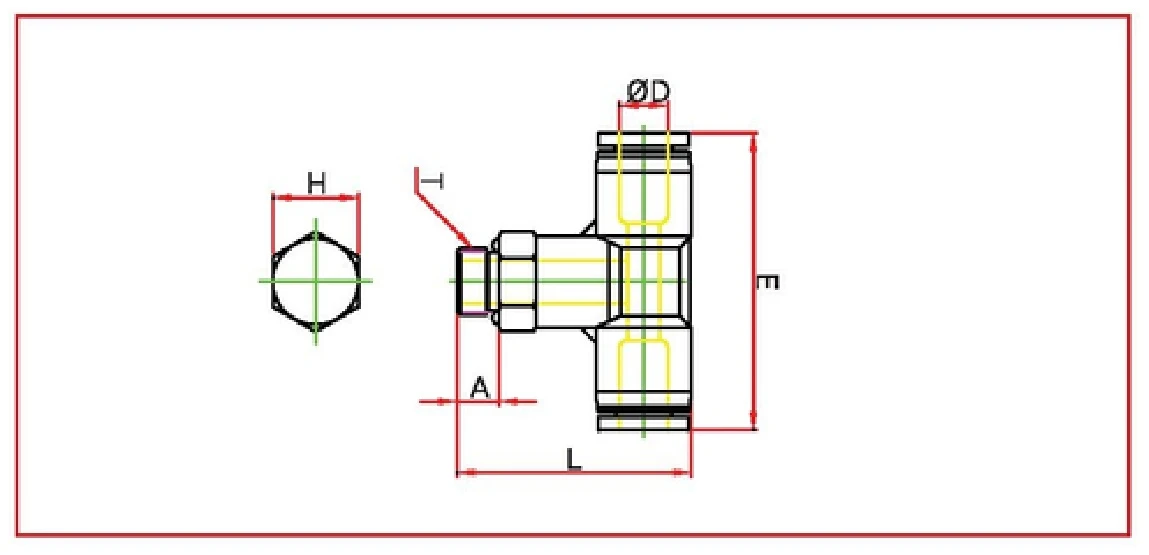
PT male branch tee
PT male branch tee Diagram PT male branch tee
MODEL ØD T (Thread) L E A H (HEX) Q'ty per bag Q'ty per box
PT 04-G014G 1/830365.5141050
PT 04-G024G 1/431366.5171050
PT 04-G034G 3/831366.5201050
PT 06-G016G 1/831.538.55.5141050
PT 06-G026G 1/432.538.56.5171050
PT 06-G036G 3/832.537.56.5201050
PT 08-G018G 1/83444.55.5141050
PT 08-G028G 1/43944.56.5171050
PT 08-G038G 3/83944.56.5201050
PT 08-G048G 1/239.544.51024525
PT 10-G0110G 1/842565.517525
PT 10-G0210G 1/443566.517525
PT 10-G0310G 3/842.5566.520525
PT 10-G0410G 1/248.5561024520
PT 12-G0212G 1/44558.56.520520
PT 12-G0312G 3/84558.56.520520
PT 12-G0412G 1/248.558.51024520
PT 14-G0314G 3/84966.56.520520
PT 14-G0414G 1/249.566.51024520
PT 16-G0316G 3/852.561.56.520312
PT 16-G0416G 1/256.561.51024312
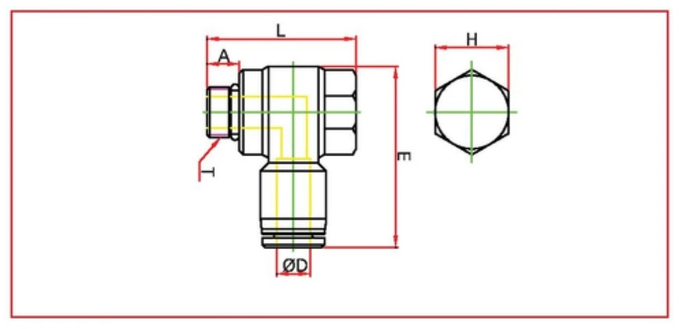
PST male run tee
PST male run tee Diagram PST male run tee
MODEL ØD T (Thread) L E A H (HEX) Q'ty per bag Q'ty per box
PST 04-G014G 1/84223.55.5141050
PST 04-G024G 1/44223.56.5171050
PST 04-G034G 3/84323.56.5201050
PST 06-G016G 1/84325.55.5141050
PST 06-G026G 1/44525.56.5171050
PST 06-G036G 3/84625.56.5201050
PST 08-G018G 1/849.5295.5141050
PST 08-G028G 1/450.5296.5171050
PST 08-G038G 3/851.5296.5201050
PST 08-G048G 1/254301024525
PST 10-G0210G 1/460.5376.517525
PST 10-G0310G 3/861.5376.520525
PST 10-G0410G 1/265371024520
PST 12-G0212G 1/46339.56.519520
PST 12-G0312G 3/86339.56.520520
PST 12-G0412G 1/266.539.51024520
PST 14-G0214G 1/465.3426.519520
PST 14-G0314G 3/865.3426.520520
PST 14-G0414G 1/268.8421024515
PA dual male banjo
PA dual male banjo Diagram PA dual male banjo
MODEL ØD T E L F A H (Hex) Q'ty per bag Q'ty per box
PA06-G016G 1/831.223.6513121050
PA08-G018G 1/83323.6514.4121050
PA08-G028G 1/437.226.87.314.414525
PA10-G0210G 1/440.326.87.318.414525
PA10-G0310G 3/842.2327.518.419520
PA12-G0312G 3/845327.52119520
PA12-G0412G 1/250.839102124520
PWT male Y
PWT male Y Diagram PWT male Y
MODEL ØD T (Thread) L E A H (HEX) Q'ty per bag Q'ty per box
PWT 04-G014G 1/842.5225.5141050
PWT 04-G024G 1/443.5226.5171050
PWT 04-G034G 3/843.5226.5201050
PWT 06-G016G 1/844265.5141050
PWT 06-G026G 1/445266.5171050
PWT 06-G036G 3/845266.5201050
PWT 06-G046G 1/243.52610241050
PWT 08-G018G 1/84629.55.5141050
PWT 08-G028G 1/44829.56.5171050
PWT 08-G038G 3/84829.56.5201050
PWT 08-G048G 1/251.529.51024525
PWT 10-G0110G 1/855375.517525
PWT 10-G0210G 1/457376.517525
PWT 10-G0310G 3/857376.520525
PWT 10-G0410G 1/260.5371024520
PWT 12-G0212G 1/459.542.57.519520
PWT 12-G0312G 3/859.542.56.520520
PWT 12-G0412G 1/26342.51024520
PWT 16-G0316G 3/86351.56.520515
PWT 16-G0416G 1/266.551.51024315
PAF dual female banjo
PAF dual female banjo Diagram PAF dual female banjo
MODEL ØD T1/T2 (Thread) E L A F H (Hex) Q'ty per bag Q'ty per box
PAF06-G016G 1/831.227.1513141050
PAF08-G018G 1/83327.1514.4141050
PAF08-G028G 1/437.233.37.314.417525
PAF10-G0210G 1/440.333.37.318.417525
PAF10-G0310G 3/844.2408.518.421520
PAF12-G0312G 3/845408.52121515
PAF12-G0412G 1/250.846.39.82124515
PLL extended male elbow
PLL extended male elbow Diagram PLL extended male elbow
MODEL ØD T (Thread) L E A H (Hex) Q'ty per bag Q'ty per box
PLL 04-G014G 1/838.523.55.5141050
PLL 04-G024G 1/440.523.56.5171050
PLL 04-G034G 3/840.223.56.5201050
PLL 06-G016G 1/842255.5141050
PLL 06-G026G 1/443256.5171050
PLL 06-G036G 3/845256.5201050
PLL 08-G018G 1/848305.5141050
PLL 08-G028G 1/449306.5171050
PLL 08-G038G 3/849306.5201050
PLL 08-G048G 1/252.5301024525
PLL 10-G0110G 1/856365.517525
PLL 10-G0210G 1/459366.517525
PLL 10-G0310G 3/859366.520525
PLL 10-G0410G 1/262.5361024525
PLL 12-G0212G 1/46538.56.519525
PLL 12-G0312G 3/86538.56.520525
PLL 12-G0412G 1/268.538.51024525
PHF
PHF Diagram PHF
MODEL ØD T1 T2 L E A1 A2 H (Hex) Q'ty per bag Q'ty per box
PHF 04-G014G 1/8G 1/82829.55.57.5141050
PHF 04-G024G 1/4G 1/433.3336.58.5171050
PHF 06-G016G 1/8G 1/827.1305.57.5141050
PHF 06-G026G 1/4G 1/433.3337.58.5171050
PHF 08-G018G 1/8G 1/82839.55.59.514525
PHF 08-G028G 1/4G 1/42832.55.57.5141050
PHF 08-G038G 1/4G 1/433.337.588.5171050
PHF 08-G038G 3/8G 3/840409.59.5211050
PHF 08-G048G 1/2G 1/246.3461011.524525
PHF 10-G0110G 1/8G 1/827.1415.57.514525
PHF 10-G0210G 1/4G 1/433.3418.58.517525
PHF 10-G0310G 3/8G 3/840448.59.521525
PHF 10-G0410G 1/2G 1/246.3461011.524525
PHF 12-G0212G 1/4G 1/433.342.57.58.517525
PHF 12-G0312G 3/8G 3/840468.59.521520
PHF 12-G0412G 1/2G 1/246.3501011.524515
PLF
PLF Diagram PLF
MODEL ØD T L E A H (Hex) Q'ty per bag Q'ty per box
PLF 04-G014G 1/828.523.58141050
PLF 04-G024G 1/43123.511171050
PLF 04-G034G 3/832.523.511201050
PLF 06-G016G 1/829.5249141050
PLF 06-G026G 1/4322410171050
PLF 06-G036G 3/833.52511201050
PLF 06-G046G 1/238.52514241050
PLF 08-G018G 1/83329.58141050
PLF 08-G028G 1/435.529.511171050
PLF 08-G038G 3/83829.511201050
PLF 08-G048G 1/24029.51424525
PLF 10-G0110G 1/836368171050
PLF 10-G0210G 1/44136919525
PLF 10-G0310G 3/843361220525
PLF 10-G0410G 1/246361424520
PLF 12-G0212G 1/43938.5919520
PLF 12-G0312G 3/84638.51021520
PLF 12-G0412G 1/24938.51424520
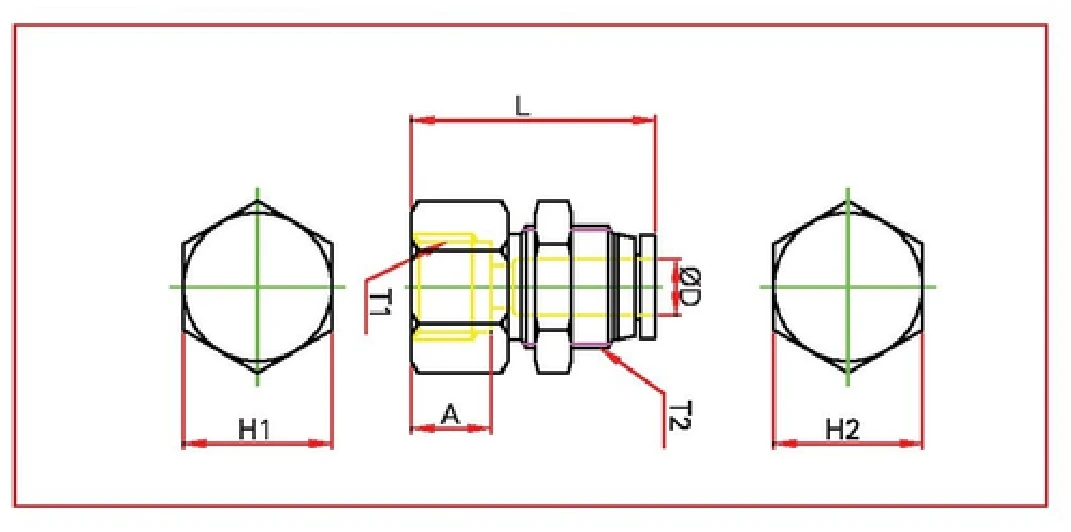
PMF
PMF Diagram PMF
MODEL ØD T1 T2 L H1 (Hex.) H2 (Hex.) Q'ty per bag Q'ty per box
PMF 04-G014G 1/8M12xP1.024141410100
PMF 04-G024G 1/4M12xP1.028.5178.510100
PMF 06-G016G 1/8M14xP1.025171710100
PMF 06-G026G 1/4M14xP1.027171710100
PMF 06-G036G 3/8M14xP1.02820171050
PMF 08-G018G 1/8M16xP1.02719191050
PMF 08-G028G 1/4M16xP1.027.519191050
PMF 08-G038G 3/8M16xP1.029.520191050
PMF 08-G048G 1/2M16xP1.031.524191050
PMF 10-G0210G 1/4M20xP1.030.524241050
PMF 10-G0310G 3/8M20xP1.03324241050
PMF 10-G0410G 1/2M20xP1.03424241050
PMF 12-G0212G 1/4M22xP1.0342727525
PMF 12-G0312G 3/8M22xP1.0352727525
PMF 12-G0412G 1/2M22xP1.0372727525
PCF
PCF Diagram PCF
MODEL ØD T L A H (Hex) Q'ty per bag Q'ty per box
PCF 04-G014G 1/823.58.51410100
PCF 04-G024G 1/426.5111710100
PCF 06-G016G 1/8248.51410100
PCF 06-G026G 1/427111710100
PCF 06-G036G 3/82811211050
PCF 06-G046G 1/23013211050
PCF 08-G018G 1/8268.51410100
PCF 08-G028G 1/428111710100
PCF 08-G038G 3/83011201050
PCF 08-G048G 1/23214241050
PCF 10-G0110G 1/8308.5171050
PCF 10-G0210G 1/43211171050
PCF 10-G0310G 3/83311201050
PCF 10-G0410G 1/23514241050
PCF 12-G0212G 1/43510211050
PCF 12-G0312G 3/83612.5211050
PCF 12-G0412G 1/237.51424525
PCF 16-G0316G 3/836.51124525
PCF 16-G0416G 1/238.51324525
PH
PH Diagram PH
MODEL ØD T E L A H (Hex.) Q'ty per bag Q'ty per box
PH 04-G014G 1/829.523.55121050
PH 04-G024G 1/43326.87.5141050
PH 06-G016G 1/83023.65121050
PH 06-G026G 1/43426.87.5141050
PH 06-G036G 3/837.532819525
PH 08-G018G 1/832.523.65121050
PH 08-G028G 1/437.526.87.5141050
PH 08-G038G 3/83932819525
PH 08-G048G 1/246391024525
PH 10-G0110G 1/83723.65121050
PH 10-G0210G 1/44126.87.5141050
PH 10-G0310G 3/84432819525
PH 10-G0410G 1/249.5391024525
PH 12-G0212G 1/442.526.87.514525
PH 12-G0312G 3/84632819525
PH 12-G0412G 1/250391024520
PKD
PKD Diagram PKD
MODEL ØD1 ØD2 L E M1 M2 C A H (Hex) T Q'ty per bag Q'ty per box
PKD 04-G01446727941.53.25.514G 1/8525
PKD 0604-G01446727941.53.25.514G 1/8525
PKD 0604-G02646927941.53.26.517G 1/4525
PKD 0804-G02846927941.53.26.517G 1/4525
PKD 06-G01666727941.53.25.514G 1/8525
PKD 06-G02666927941.53.26.517G 1/4525
PKD 0806-G01866827941.53.25.514G 1/8525
PKD 0806-G02866927941.53.26.517G 1/4525
PKD 08-G028886.8331247.84.26.517G 1/4525
PKD 08-G038886.8331247.84.26.520G 3/8525
PKD 1006-G0210689331247.84.26.517G 1/4520
PKD 1006-G0310687.8331247.84.26.520G 3/8520
PKD 1008-G0210889331247.84.26.517G 1/4515
PKD 1008-G0310889331247.84.26.520G 3/8515
PKD 10-G02101097.537.51256.53.56.517G 1/4515
PKD 10-G03101097.537.51256.53.56.520G 3/8515
PKD 10-G041010100.537.51256.53.51024G 1/2515
PKD 1208-G0312897.53715.559.54.56.520G 3/8515
PKD 1210-G03121097.53815.559.54.56.520G 3/8515
PKD 1210-G0412101013815.559.54.51024G 1/2515
PKD 12-G031212101.539.715.567.54.56.520G 3/8515
PKD 12-G041212103.715.515.567.54.51024G 1/2515
PRODUCT DESCRIPTION

FEATURES/BENEFITS

  • One-Touch push-to-connect configuration allows for an instant tubing connection.
  • All PC models are useful for piping in confined space, due to its six-angle wrench processing inside.
  • Immediate strong engineering plastic(POM) sleeve disconnection by pressing the sleeve and then simply removing tube from fitting.
  • Fittings are already equipped with Teflon-treatment or o-ring on the thread.
  • Nickel-plated brass body ensures anti-contamination properties for an extended product life.

SPECIFICATION

  • Applicable Fluid Type: AIR (No other type of gas or liquid)
  • Working Pressure Range: 0~150PSI / 0~9.9Kgf/cm²(0~990KPa)
  • Negative Pressure: -29.5in Hg / -750mmHg(-750Torr)
  • Working Temperature Range: 32~140°F / 0~60°C
ORDER

PLACING AN ORDER OR REQUEST

Specifying Standard Items: Please specify the following:

  • 1. Series(Item)Number
  • 2. Tube Outside Dia.
  • 3. Thread Size

THREAD SIZE

  • 01: 1/8" / N01:1/8"NPT / G01:1/8"BSPP
  • 02: 1/4" / N02:1/4"NPT / G02:1/4"BSPP
  • 03: 3/8" / N03:3/8"NPT / G03:3/8"BSPP
  • 04: 1/2" / N04:1/2"NPT / G04:1/2"BSPP
Fitting Diagram

Example of a request

PL series one touch fitting, 8mm tube with 1/4" BSPT thread

PL 08 02 Example

PC series one touch fitting, 1/4" tube with 1/4" NPT thread

PC 1/4 N02 Example

SC series G type one touch fitting, 8mm tube with 1/4" BSPP thread

SC 08 G02 Example